
| DPI701/703 经济型压力变送器 |
![]() |
| 适用于:工程机械、制氮机、空压机、氢氧发生器、液压设备、中央空调制冷机组、管道流体、柴油发电机、水处理设备、实验仪器、冷干机、净化设备的空气、水、蒸汽、管道压力、流动性液体的压力测量;
工作原理:多晶硅传感器、通过电阻电流转换,温度补偿、线性修正,数据处理使变送器输出标准的4-20mA模拟信号
|
| 测量精度:0.1%F.S 0.25%F.S 0.5%F.S 1%F.S可选择
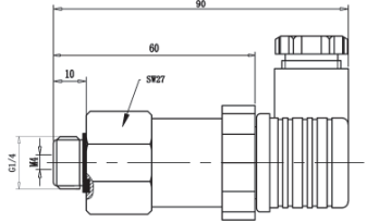
远程通讯:4-20mA采用双绞线可达1.5千米 抗射频干扰:在射频范围27至1000MHz,场强为30伏/米的情况下,误差为0.1% 振动影响:在振动频率5至500Hz范围内或在5至15频率范围内,正负振幅为6.35mm的情况下,每个加速度“g”引起的总的影响为上限值的±0.2% 稳定性:五年内每年的长期漂移量小于URL的±0.05% 响应时间:上电输出达到第一个有效测量值所需的时间不超过15秒 温度影响:-40℃-85℃环境温度最大值0.2%F.S 供电范围:12.5Vdc-36Vdc,标准供电24Vdc 输出信号:4-20mA模拟量信号可选择数字信号485通讯 过程连接:M20X1.5、G1/2、G1/4、1/2NPT、1/4NPT 电气接口:M12X1航插4芯, 量程单位:Map、KPa、Pa、PSi、mmH2O、mH2O 防护等级:符合NEMA4X(IEC IP67)标准规程 防爆等级:隔爆型,适用于Ⅰ类,Ⅱ类,2区:本质安全型,适用于Ⅰ类,Ⅱ类,1区。电气设计符合欧盟规程。 防爆接口:M20x1.5外螺纹 测量端材质:316L、哈氏合金c-276、蒙乃尔、钽 填充液:硅油DC200.10CST 电源影响:0.005%校准量程/伏 近似重量:0.5KG
|
|
|